◆ Model: y¨-ml y¨-mf y¨-mg y¨-mz y¨-mk y¨-mn y¨-ms
◆ Aplicare: Datorită structurii de măsurare indirectă, gabaritul de presiune a diafragmei este potrivit pentru măsurarea presiunii lichidelor, a gazelor sau a solidelor care curg granulare, cu vâscozitate ridicată, ușor de cristalizat, coroziune puternică și temperatură ridicată. Diafragma de izolare are o varietate de materiale pentru a se adapta la o varietate de medii corozive diferite.
Aceste instrumente sunt utilizate în principal în fibre chimice, fibre sintetice, petrol, vopsire, alcalin, acid, alimente, medicamente, construcții, minerit, topire și alte industrii.
Capul de ecartament al acestui tip de instrument poate fi utilizat într-o varietate de serii: manometru general de presiune, manometru de presiune rezistent la șocuri, o varietate de ecartament de presiune electrică de contact, o varietate de ecartament de presiune electrică rezistent la șocuri, emițător de presiune, manometru de presiune la distanță, manometru digital de presiune, control de presiune și așa mai departe.
◆ Principiul structurii:
Acest instrument este măsurarea indirectă. Deformarea diafragmei de izolare sub presiunea mediului măsurat, lichidul de etanșare este presurizat, iar presiunea este transmisă la presiune.
Lichidul de etanșare este presurizat, iar presiunea este efectuată către instrumentul de detectare, care arată valoarea presiunii medii măsurate.
◆ Parametri tehnici :
| Model de cap al contorului | Diverse tipuri de instrumente de presiune, emițători de presiune, regulatoare de presiune etc. | |||
| Clasa de precizie | 1.6 ; 2.5 | |||
| Clasa de precizie ( MPA ) | 0 ~ 0,1 0 ~ 0,16 0 ~ 0,25 0 ~ 0,4 0 ~ 0.6 0 ~ 1 0 ~ 1.6 0 ~ 2.5 0 ~ 4 0 ~ 6 0 ~ 10 0 ~ 16 0 ~ 25 0 ~ 40 | |||
| Material diafragmă | Porecle | Material | Porecle | Material |
| 1 | 0cr18ni12mo2 | 5 | Hastelloy C (H276C) | |
| 2 | Sus304 | 6 | Aliaj Monel (CU30ni70) | |
| 3 | Sus316 | 7 | Tantal (TA) | |
| 4 | Sus316L | 8 | Fluoroplastic (PTFE) | |
| Material izolator | 1cr18ni9; 304; 316; 316L; F4; PVC, etc. | |||
| Material de garnitură de etanșare | NBR; Cauciuc medical din silicon; PTFE; Grafit; Fluoroelastomer; etc. | |||
| Umplerea lichidului de conducere | Ulei de silicon de metil, ulei vegetal, glicerină, ulei fluorurat etc. | |||
| Efect de temperatură | Deoarece expansiunea termică a fluidului conductiv și rigiditatea diafragmei sunt legate de temperatură, valoarea de eroare este de 0,1%/° C atunci când temperatura de funcționare se abate de la 20 ± 5 ° C. | |||
| Protecția împotriva coroziunii | Această performanță include caracteristicile de coroziune ale mediului și mediul de măsurare, iar materialul izolatorului, foaia de diafragmă și șaiba de etanșare pot fi selectate în funcție de condițiile de utilizare. | |||
| Diferența de nivel | Furtunul de presiune al diafragmei conectate la instalație Dacă punctul de măsurare și manometrul de presiune se află la înălțimi diferite, diferența sa de nivel de lichid generată de diferența de presiune △ p va afecta valoarea măsurată a instrumentului, formula este: △ p = gravitatea specifică a diferenței de nivel de lichid de lichid × diferența de nivel de lichid. | |||
| Standarde de implementare | JB/T 8624 | |||
| Notă: 1, firul conectorului poate fi personalizat în funcție de cerințele utilizatorului; 2 、 Conectarea flanșei poate fi personalizată în conformitate cu Standardul de flanșă a cerințelor utilizatorului. | ||||
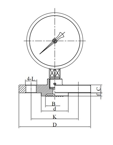
◆ Schema de dimensiune a tipului de izolator și instalare:
| (Ml) Interfață filetată | (MF) Flanșă de față deschisă |
























