◆ Model: YJ150 YJ150A
◆ Utilizare: Această serie de instrumente sunt utilizate în principal pentru a calibra indicatoarele de presiune obișnuite industriale sau civile. Poate fi, de asemenea, utilizat pentru a măsura cu exactitate presiunea mediilor non-corozive, non-cristalizante și neconsolidante, cum ar fi aliaj de cupru și oțel structural din aliaj la locul procesului.
Această serie de instrumente din linia de scară sub setarea inelului oglinzii, în utilizare poate face ca eroarea de citire să fie minimizată. Un tip cu dispozitiv zero, în procesul de utilizare, dacă descoperiți că indicatorul nu revine la zero, în absența presiunii media poate fi un indicator reglat, astfel încât să revină la zero pentru a reduce eroarea.
◆ Parametri tehnici :
| Numărul modelului | YJ150 | YJ150A | |
| Diametrul nominal | Φ 150 | ||
| Formular de instalare | Ⅰ | * | * |
| Ⅳ | * | * | |
| Fir conector | M20 × 1.5 | ||
| Clasa de precizie | 0.4 | ||
| Interval de măsurare ( MPA ) | Vacant: -0.1 ~ 0 Vid de presiune : -0.1 ~ 0,06 -0,1 ~ 0,15 -0,1 ~ 0,3 -0,1 ~ 0,5 -0,1 ~ 0,9 -0,1 ~ 1.5 -0.1 ~ 2.4 Presiune: 0 ~ 0,1 0 ~ 0,16 0 ~ 0,25 0 ~ 0,4 0 ~ 0.6 0 ~ 1 0 ~ 1.6 0 ~ 2.5 0 ~ 4 0 ~ 6 0 ~ 10 0 ~ 16 0 ~ 25 0 ~ 40 0 ~ 60 0 ~ 100 | ||
| Condiții de utilizare de mediu | Temp : 20 ℃ ± 3 ℃ | ||
| Evaluare vibrații | V · H · 2 | ||
| Clasa de protecție | IP54 | ||
| Standarde de implementare | GB/T 1227 | ||
| NOTĂ: 1.. Firele comune pot fi personalizate în conformitate cu cerințele utilizatorului. | |||
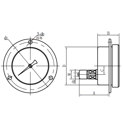
◆ Dimensiuni externe:
| Tipul direct radial (ⅰ) | Tipul direct excentric axial (ⅱ) |
| Numărul modelului | D.imensiuni generale ( mm ) | |||||||
| O | B | C. | D | D0 | D1 | D2 | M | |
| YJ150- Ⅰ Yj150a- Ⅰ | 113 | 51 | 21 | Φ 150 | / | / | Φ 6 | M20 × 1.5 |
| YJ150- Ⅳ Yj150a- Ⅳ | 79 | 51 | 55 | Φ 150 | Φ 6 | Φ 165 | Φ 6 | M20 × 1.5 |


















