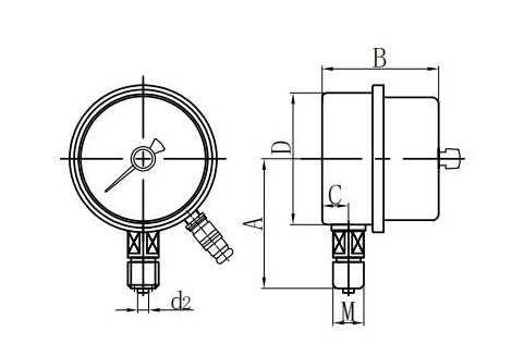
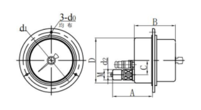
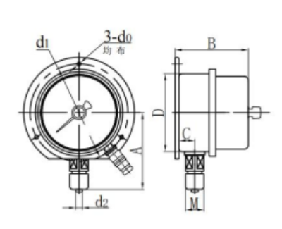
◆ Model: YXCM100 YXCM150
◆ Utilizări: Acest tip de instrument este o alternativă ideală la manometrul de presiune electric de contact electric asistat de magnetic, păstrează avantajele gabaritului tradițional de presiune electrică de contact cu indicația intuitivă și o ajustare simplă și face îmbunătățiri fundamentale la interiorul instrumentului, folosind un circuit integrat de inducție magnetică, pentru a colecta semnale, fără a fi de contact mecanic, nu a fost prelucrat anti-interferență și altfel de răspunsuri anti-interferență, cu siguranță, fără a se potrivi cu un semnal de garnit Caracteristici. Poate fi interconectat cu ușurință cu PC Plăci, optocouple, controlere de program și alte circuite electronice și pot conduce direct relee de alimentare mici sau contactori.
◆ Dacă este necesar să se facă un ecartament de presiune de tip șoc, acesta poate fi umplut cu glicerină sau ulei de silicon.


















