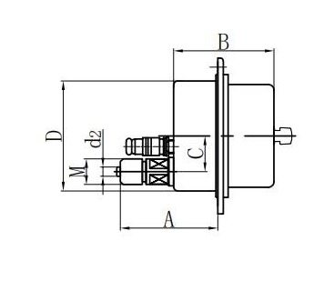
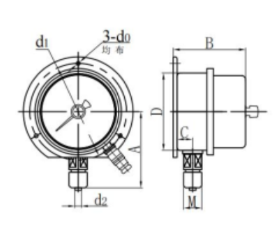
◆ Model: YXCH100 YXCH150
◆ Aplicație: Acest tip de instrument este potrivit pentru măsurarea presiunii lichidelor, a gazelor sau a vaporilor fără pericol de explozie, fără cristalizare, fără solidificare și fără efect coroziv asupra aliajelor de cupru și cupru. Când este echipat cu un sistem de circuit adecvat, acesta poate trimite o alarmă sau un control automat la sistemul de presiune pentru a fi măsurat și controlat.
◆ Dacă este necesar să se facă un ecartament de presiune de tip șoc, acesta poate fi umplut cu glicerină sau ulei de silicon.


















