◆ Parametri tehnici:
| Model | Cybn100 | CYBN150 |
| Diametrul nominal | Φ 100 | Φ 150 |
| Tip de montare | Montat convex radial Interfețe paralele | * | * |
| Montat convex radial Interfață cu opt caractere | | * |
| Tip excentric excentric | * | * |
| Gama de măsurare | Presiune diferențială Gama de măsurare KPA | Nominal Presiunea de lucru KPA | Presiune diferențială Gama de măsurare MPA | Nominal Presiunea de lucru MPA |
| 0 ~ 10 | 60 | 0 ~ 0.16 | 1 |
| 0 ~ 16 | 100 | 0 ~ 0.25 | 1.6 |
| 0 ~ 25 | 160 | 0 ~ 0.4 | 2.5 |
| 0 ~ 40 | 250 | 0 ~ 0.6 | 4 |
| 0 ~ 60 | 400 | 0 ~ 1 | 6 |
| 0 ~ 100 | 600 | 0 ~ 1.6 | 10 |
| | | 0 ~ 2.5 | 10 |
| Clasa de precizie | 2.5 |
| Fire potrivite | M20 × 1.5 |
| Folosiți temperatura ambiantă | -40 ℃~ 70 ℃ |
| Temperatura mediului care trebuie utilizată | ≤ 60 ℃ |
| Evaluarea rezistenței vibrațiilor | V · H · 4 |
| Rating de incintă | IP65 |
| greutate | Aproximativ 1,5 kg |
| Materialul sistemului de impulsuri | 0cr17ni12mo2 、 Sus316 |
| carcasă și alte materiale | 1cr18ni9 、 Sus304 |
| Aplicați standardul | JB/T 12015-2014 |
| Nota: 1 . Firul comun poate fi personalizat în funcție de cerințele utilizatorului. |
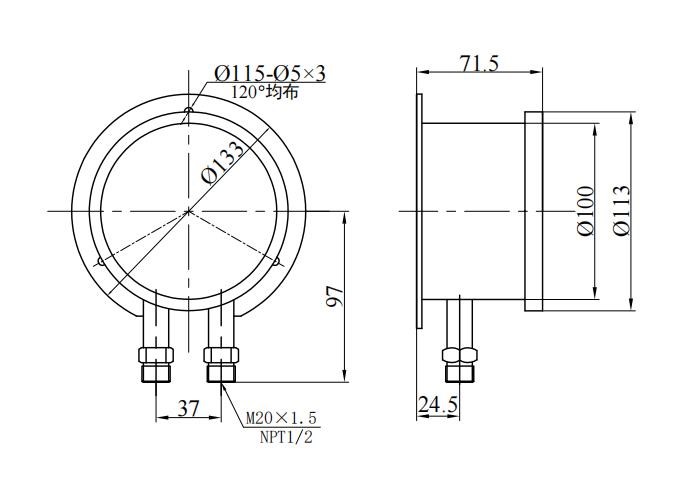
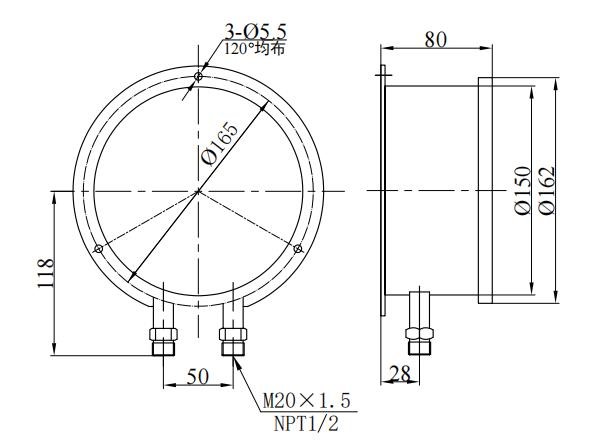
◆ Dimensiunea aspectului și instalării:
| Cybn100 Interfețe paralele | CYBN150 interfețe paralele |
| CYBN150 Interfață Bazi | CYBN150 Excentricitate axială |
◆ Principiul structural:
Instrumentul adoptă o structură dublă a tubului Bourdon, adică două tuburi Bourdon sunt instalate în poziții simetrice pe ambele părți ale suportului „I”. Secțiunile superioare și inferioare ale suportului „I” sunt capătul mobil, respectiv capătul fix, iar mijlocul este conectat printr -o piesă de arc: cele două tuburi Bourdon sunt într -o stare paralelă și sunt conectate cu îmbinările de înaltă tensiune și de joasă tensiune de pe carcasă cu conducta, respectiv: mecanismul de transmisie de viteză este instalat direct la capătul fix al rodului de tragere: și este conectat direct la sfârșitul mobilului de la capătul fixat prin capătul fixat: și este conectat direct cu sfârșitul motor al brațului fixat prin capătul fixat: și este conectat direct la sfârșitul mișcării Mecanism de transmisie a vitezei.
◆ Working principle: Based on the pressure sensing element, two Bourdon tubes with the same stiffness are used, so they are forced to produce the same concentrated force under the same measured medium to act on the movable bracket respectively, because the two sides of the spring blade do not produce deflection under the action of equal moment, so the bracket is still in the original position, so that the gear transmission mechanism does not act, so that the pointer is still pointed at the poziție zero.
Atunci când se aplică presiuni diferite (în general capătul de înaltă presiune este mai mare decât capătul de joasă presiune) , forța celor două tuburi Bourdon care acționează asupra suportului mobil nu este egală, astfel încât deplasarea corespunzătoare este generată, respectiv, mecanismul de transmisie a angrenajului este condus și amplificat, iar valoarea presiunii diferențiale dintre cele două este indicată după ce pointerul este deflat.
◆ Precauții:
1. Instrumentul trebuie instalat vertical într -o poziție care se află la același nivel cu punctul de măsurare, altfel trebuie luată în considerare eroarea suplimentară cauzată de diferența de nivel lichid.
2 . Conectorul instrumentului marcat cu " H "sau" „Este capătul de înaltă tensiune, iar cel marcat cu” L "sau" - „Este capătul de joasă tensiune și nu poate fi inversat în timpul instalării.
3 . Când instrumentul măsoară presiunea diferențială, valoarea presiunii diferențiale poate fi utilizată în interior 75% a limitei superioare a intervalului de scară și valoarea maximă a presiunii statice a sistemului nu trebuie să depășească valoarea maximă de presiune statică specificată de instrument.
4. Așa cum se arată în figura 4 , supapa de echilibru (siguranță) (supapă 1 ) ar trebui să fie așezată în fața porturilor de intrare de înaltă și joasă ale instrumentului în timpul instalării și ar trebui să fie în poziția deschisă, iar supapa de echilibru ar trebui să fie închisă după supapă 2 şi Supapă 3 toate sunt deschise.
5 . Înainte de utilizare, instrumentul ar trebui să verifice cu atenție gradul de eroziune cauzat de mediul măsurat, pentru a nu provoca deteriorarea coroziunii precoce a tubului Bourdon.
6 . Când instrumentul este menținut în mod regulat, dacă capacul contorului trebuie să fie deschis, este recomandabil să se utilizeze instrumente speciale.
7 . Atunci când instrumentul este afectat de modificările de temperatură și eroarea de indicație crește și afectează exactitatea măsurării, șeful dopului din carcasă poate fi tăiat pentru a face ca interiorul și din exterior să comunice și presiunea aerului este echilibrată.
◆ Notificare de comandă:
Când comandați instrumentul, utilizatorul trebuie să indice:
1. Numele și modelul, intervalul de presiune diferențială, presiunea statică maximă, unitatea de măsurare, nivelul de precizie;
2. Dimensiunea firului comun: convențional M20 × 1.5 , NPT1/2 (sau specificat de client);
3. Notă: Trei grupuri de supape pot fi personalizate în numele utilizatorilor (supape 1 ~ 3 în figură 4 )