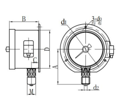
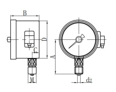
◆ MoD.el: YTX100B YTX150B
◆ Utilizări: Această serie de instrumente este utilizată special în mediul înconjurător al suportului combustibil și al amestecului exploziv al pericolului locurilor, măsurarea presiunii lichidelor și a gazelor, cu dispozitivele electrice corespunzătoare, poate obține alarmă sau control automat și alte funcții.
Instrumentul adoptă un contact electric magnetic, care are caracteristicile forței de aspirație mari și a unui contact fiabil.
Acest instrument respectă cerințele din GB 3836.1-2010 „Atmosfere explozive - parte 1 : Cerințe generale pentru echipamente "și GB3836.2-2010 „Atmosfere explozive - parte 2 : Echipamente protejate de carcasele de flacără " d ".
















