◆ Model: YG60 YG100 YG150
◆ Utilizare: Toate părțile acestei serii de calibre sunt confecționate din oțel inoxidabil, iar părțile principale sunt confecționate din 1CR18ni9, OCR18NI12MO2TI, Sus316, Sus316L, etc. Sudarea fiecărei părți este realizată printr -un proces special. Printre aceștia, manometrul de presiune la temperatură ridicată rezistent la coroziune are o performanță excelentă la temperatură ridicată și rezistentă la coroziune, potrivită pentru mediile corozive, poate detecta mediul slab coroziv, dar nu și cristalizarea, non-consolidarea, mediul de temperatură ridicată cu vâscozitate scăzută. Utilizat pe scară largă în petrol, chimic, pesticid, cauciuc, gaze naturale și alte industrii.
◆ Parametri tehnici :
| Numărul modelului | YG60 | YG100 | YG150 | ||
| Diametrul nominal | Φ 60 | Φ 100 | Φ 150 | ||
| Tip de montare | Ⅰ | * | * | * | |
| Ⅱ | * | * | * | ||
| Ⅲ | * | / | / | ||
| Ⅳ | * | * | * | ||
| Ⅴ | * | / | / | ||
| Ⅵ | * | * | * | ||
| Fir conector | M14 × 1.5 | M20 × 1.5 | |||
| Clasa de precizie | 2.5 | 1.6 | |||
| Interval de măsurare ( MPA ) | Vacant: -0.1 ~ 0 Vid de presiune : -0.1 ~ 0,06 -0,1 ~ 0,15 -0,1 ~ 0,3 -0,1 ~ 0.5 -0.1 ~ 0,9 -0,1 ~ 1.5 -0.1 ~ 2.4 Presiune: 0 ~ 0,1 0 ~ 0,16 0 ~ 0,25 0 ~ 0,4 0 ~ 0.6 0 ~ 1 0 ~ 1.6 0 ~ 2.5 0 ~ 4 0 ~ 6 0 ~ 10 0 ~ 16 0 ~ 25 0 ~ 40 0 ~ 60 0 ~ 100 、 0 ~ 160 、 0 ~ 250 | ||||
| Condiții de utilizare de mediu | Temp : -40 ℃~ 70 ℃ | ||||
| Temperatură | Instalare directă : ≤ 150 ℃ | ||||
| Temperatură: ≤ 500 ℃ | |||||
| Eroare a efectului de temperatură | Δ = ± (δ K Δ t ) Δ - - Valoarea admisă a erorii valorii de afișare atunci când temperatura ambientală se abate de la 20 ℃ ± 5 ℃, iar valoarea admisă a erorii valorii de afișare atunci când temperatura ambientală se abate de la 20 ℃ ± 5 ℃. % δ - - Valoarea absolută a erorii intrinseci a instrumentului. % K —— Coeficient de efect de temperatură cu o valoare de 0,04%/° C Δ t ——∣temperatura mediului la tubul Bourdon ℃ -25∣ | ||||
| Evaluare vibrații | V · H · 3 | ||||
| Materialul tubului Borden | OCR18NI12MO2TI ; Sus316 ; Sus316L | ||||
| Carcasă, material conector | 1cr18ni9ti ; Sus304 | ||||
| Clasa de protecție | IP65 | ||||
| Standarde de implementare | GB/T 1226 | ||||
| NOTĂ: 1.. Firele comune pot fi personalizate în conformitate cu cerințele utilizatorului. | |||||
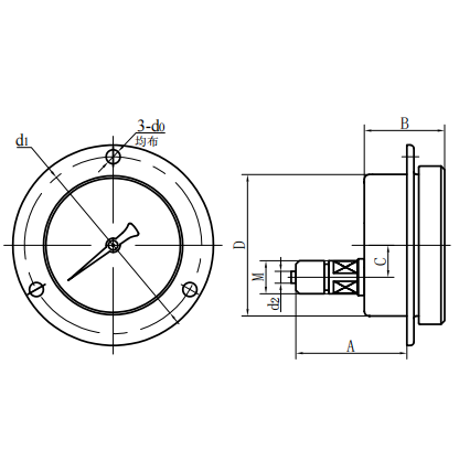
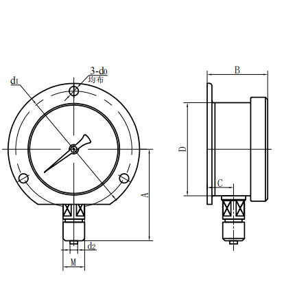
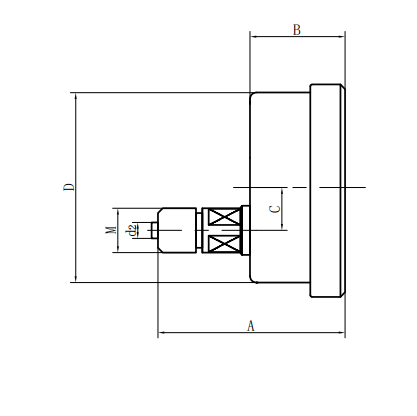
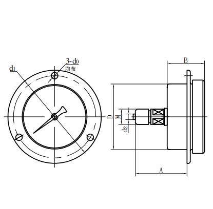
◆ Dimensiuni externe:
| Tipul direct radial (ⅰ) | Tipul direct excentric axial (ⅱ) |
| Tipul direct concentric axial (III) | Tip de inserție excentrică axială (IV) |
| Tip de inserție concentrică axială (V) | Tip radial convex (vi) |
| Numărul modelului | D.imensiuni generale ( mm ) | |||||||
| O | B | C. | D | D0 | D1 | D2 | M | |
| YG60 -Ⅰ | 56 | 33 | 11 | Φ 60 | / | / | Φ 5 | M14 × 1.5 |
| YG60 -Ⅱ | 61 | 32.5 | 18 | Φ 60 | / | / | Φ 5 | |
| YG60 -Ⅲ | 61 | 32.5 | / | Φ 60 | / | / | Φ 5 | M14 × 1.5 |
| YG60 -Ⅳ | 55 | 32.5 | 18 | Φ 60 | Φ 5 | Φ 75 | Φ 5 | |
| YG60 -Ⅴ | 55 | 32.5 | / | Φ 60 | Φ 5 | Φ 75 | Φ 5 | M14 × 1.5 |
| YG60 -Ⅵ | 56 | 33 | 11 | Φ 60 | Φ 5 | Φ 75 | Φ 5 | M14 × 1.5 |
| YG100 -Ⅰ | 90 | 48 | 15 | Φ 100 | / | / | Φ 6 | M20 × 1.5 |
| YG100 -Ⅱ | 83 | 44 | 34 | Φ 100 | / | / | Φ 6 | M20 × 1.5 |
| YG100 -Ⅳ | 68 | 44 | 34 | Φ 100 | Φ 6 | Φ 118 | Φ 6 | M20 × 1.5 |
| YG100 -Ⅵ | 90 | 48 | 15 | Φ 100 | Φ 6 | Φ 118 | Φ 6 | M20 × 1.5 |
| YG150 -Ⅰ | 117 | 51 | 16.5 | Φ 150 | / | / | Φ 6 | M20 × 1.5 |
| YG150 -Ⅱ | 92 | 52 | 55 | Φ 150 | / | / | Φ 6 | M20 × 1.5 |
| YG150 -Ⅳ | 69 | 52 | 55 | Φ 150 | Φ 6 | Φ 165 | Φ 6 | M20 × 1.5 |
| YG150 -Ⅵ | 117 | 53 | 28 | Φ 150 | Φ 6 | Φ 165 | Φ 6 | M20 × 1.5 |
















