◆ Model : YEB60 YEB100 YEB150
◆ Utilizare: Această serie de instrumente sunt potrivite pentru măsurarea micro-presiunii scăzute a gazelor fără pericol de explozie, non-cristalizare, non-condensare și unele gaze corozive. Sistemul de coajă de instrumente și ghid de presiune este realizat din 1CR18ni9, iar cutia de membrană este realizată din 0cr17ni12mo2, 316, 316L.
◆ Parametri tehnici :
| Numărul modelului | Yeb60 | YEB100 | YEB150 | |
| Diametrul nominal | Φ 60 | Φ 100 | Φ 150 | |
| Tip de montare | Ⅰ | * | * | * |
| | Ⅱ | / | * | * |
| | Ⅲ | * | / | / |
| | Ⅳ | / | * | * |
| | Ⅴ | * | / | / |
| Fir conector | M14 × 1.5 | M20 × 1.5 | ||
| Clasa de precizie | 1.6 ; 2.5 | |||
| Interval de măsurare ( KPA ) | -40 ~ 0 -25 ~ 0 -16 ~ 0 -10 ~ 0 -6 ~ 0 -4 ~ 0 0 ~ 4 0 ~ 6 0 ~ 10 0 ~ 16 0 ~ 25 0 ~ 40 -2 ~ 2 -3 ~ 3 -5 ~ 5 -8 ~ 8 -12 ~ 12 -20 ~ 20 | |||
| Condiții de utilizare de mediu | Temp : -25 ℃~ 55 ℃; Umiditate relativă : ≤ 80 % | |||
| Evaluare vibrații | V · H · 2 | |||
| Material cutia cu membrană | 0cr17ni12mo2 、 Sus316 、 Sus316L | |||
| Carcasă, material conector | 1cr18ni9 、 Sus304 | |||
| Clasa de protecție | IP65 | |||
| Standarde de implementare | JB/T 9274 | |||
| NOTĂ: 1.. Firele comune pot fi personalizate în conformitate cu cerințele utilizatorului. | ||||
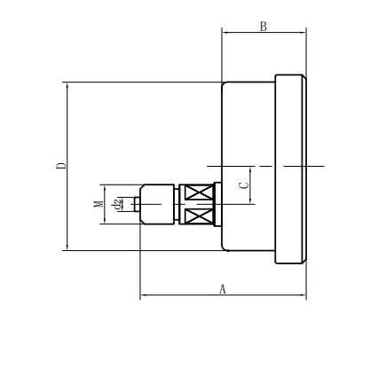
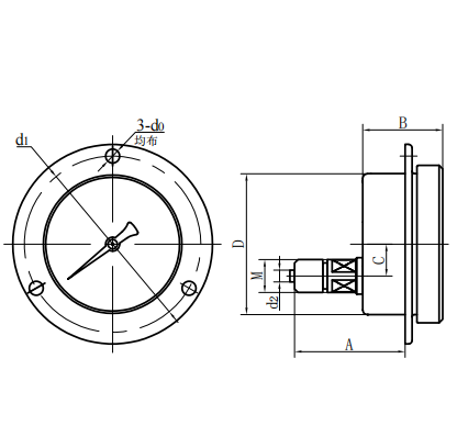
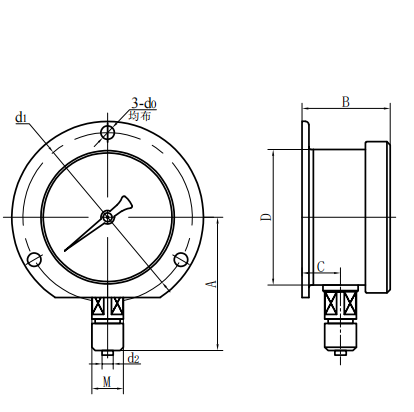
◆ Dimensiuni externe:
| Tipul direct radial (ⅰ) | Tipul direct excentric axial (ⅱ) |
| Tipul direct concentric axial (III) | Tip de inserție excentrică axială (IV) |
| Tip de inserție concentrică axială (V) | Tip radial convex (vi) |
| Numărul modelului | D.imensiuni generale ( mm ) | ||||||
| O | B | C. | D | E | D2 | M | |
| Yeb60 -Ⅰ | 58 | 35 | 11 | φ 60 | 5 | φ 4.5 | M10 × 1 |
| Yeb60 -Ⅲ | 58 | 35 | / | φ 60 | 5 | φ 4.5 | M10 × 1 |
| | | | | | | | |
| YEB100 -Ⅰ | 93 | 50 | 16.5 | Φ 100 | 16.5 | φ 6 | M20 × 1.5 |
| YEB100 -Ⅲ | 85 | 50 | / | Φ 100 | 16.5 | φ 6 | M20 × 1.5 |
| | | | | | | | |
| YEB150 -Ⅰ | 118 | 53 | 18.5 | φ 150 | 19 | φ 6 | M20 × 1.5 |
| YEB150 -Ⅲ | 96 | 53 | / | φ 150 | 19 | φ 6 | M20 × 1.5 |
| | | | | | | | |


















