◆ Model: YJY100 YJY150
◆ Utilizare: Presiunea absolută se referă la presiunea care este mai mare decât presiunea absolută zero cu presiunea absolută zero (vid absolut) ca referință. Valoarea absolută a presiunii poate fi exprimată prin următoarea formulă:
Valoarea absolută a presiunii = vid (presiune negativă) Valoarea presiunii atmosferice
Gaugul de presiune absolută este utilizat în principal pentru a monitoriza sau măsura presiunea absolută în unele echipamente de vid (de exemplu, utilaje de ambalare în vid, echipamente pentru monitorizarea presiunii de condensare și a presiunii de vapori a lichidului etc.).
◆ Presiune de lucru: Sarcina statică este utilizată până la 3/4 din valoarea limită superioară a măsurării, sarcina de schimb este utilizată până la 2/3 din valoarea limită superioară a măsurării și se utilizează presiune în timp scurt până la valoarea limită superioară a măsurării.
◆ Parametri tehnici :
| Numărul modelului | Yjy100 | Yjy150 | |
| Diametrul nominal | Φ 100 | Φ 150 | |
| Formular de instalare | Ⅰ | * | * |
| Ⅱ | * | * | |
| Ⅳ | * | * | |
| Ⅵ | * | * | |
| Fir conector | M20 × 1.5 | ||
| Clasa de precizie | 0.4 ; 1.0 ; 1.6 ; 2.5 | ||
| Interval de măsurare ( MPA ) | 0 ~ 0,1 0 ~ 0,16 0 ~ 0,25 0 ~ 0,4 0 ~ 0,6 0 ~ 1 0 ~ 1.6 0 ~ 2.5 0 ~ 4 0 ~ 6 0 ~ 10 | ||
| Condiții de utilizare de mediu | Temp : -40 ℃~ 70 ℃( Clasa de precizie : 0.4 ) -50 ℃~ 160 ℃( Clasa de precizie : 1.0 ~ 2.5 ) umiditate relativă : ≦ 80 % | ||
| Evaluare vibrații | V · H · 2 ; V · H · 3 | ||
| Clasa de protecție | IP65 | ||
| Standarde de implementare | | ||
| NOTĂ: 1.. Firele comune pot fi personalizate în conformitate cu cerințele utilizatorului. | |||
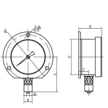
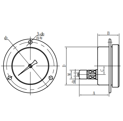
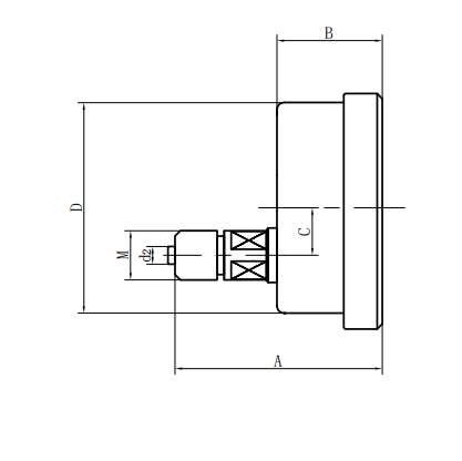
◆ Dimensiuni externe:
|
Tipul direct radial (ⅰ) | Tipul direct excentric axial (ⅱ) |
| Tipul direct concentric axial (III) | Tipul de inserție excentric axial (IV) |
| Numărul modelului | D.imensiuni generale ( mm ) | |||||||
| O | B | C. | D | D0 | D1 | D2 | M | |
| Yjy100 -Ⅰ | 90 | 48 | 15 | Φ 100 | / | / | Φ 6 | M20 × 1.5 |
| Yjy100 -Ⅱ | 83 | 44 | 34 | Φ 100 | / | / | Φ 6 | M20 × 1.5 |
| Yjy100 -Ⅳ | 68 | 44 | 34 | Φ 100 | Φ 6 | Φ 118 | Φ 6 | M20 × 1.5 |
| Yjy100 -Ⅵ | 90 | 48 | 15 | Φ 100 | Φ 6 | Φ 118 | Φ 6 | M20 × 1.5 |
| Yjy150 -Ⅰ | 117 | 51 | 16.5 | Φ 150 | / | / | Φ 6 | M20 × 1.5 |
| Yjy150 -Ⅱ | 92 | 52 | 55 | Φ 150 | / | / | Φ 6 | M20 × 1.5 |
| Yjy150 -Ⅳ | 69 | 52 | 55 | Φ 150 | Φ 6 | Φ 165 | Φ 6 | M20 × 1.5 |
| Yjy150 -Ⅵ | 117 | 53 | 28 | Φ 150 | Φ 6 | Φ 165 | Φ 6 | M20 × 1.5 |
























